Today, Wuxi Rihuan Sensing Technology Co., Ltd. will introduce the RH series of waterproof photoelectric products to everyone.
Is it difficult to install due to limited space?
Poor waterproofing and prone to damage?
RIHUAN Sensing RIHUAN RH series waterproof trough-type photoelectric
Multiple installation methods
We'll solve all the difficult problems for you

Channel-type photoelectric switches are mainly used in automatic detection, automatic control, automatic counting and other automated equipment and devices. For example:
· Installed on the automatic assembly line of the surface mount technology (SMT) machine;
· PCB reflow soldering;
· Detect the count of the PCB board;
· Automatic control of conveying and equipment;
...

One-piece molding design
The seamless one-piece housing can prevent dust from entering, protect electronic components and has a long service life.

Waterproof rating IP67
The waterproof rating reaches IP67, dust-proof and water-proof. Impact-resistant, effectively withstanding harsh environments.

Rear anti-bending
The anti-bending structure at the rear can also resist pulling and collision to reduce malfunctions, and its durability is maximized

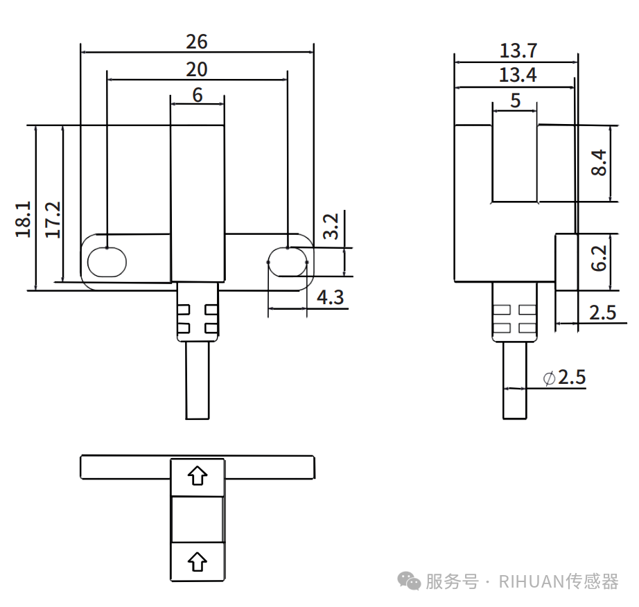
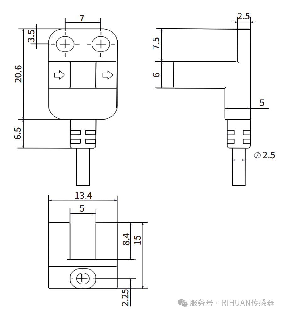
There are many product specifications.
Multiple models are available, making selection effortless


Circuit diagram:

RHK:

RHL:

RHT:

RHY:
